Supercharger Assembly
(Smog Legal)
Give your Toyota the power it deserves with the TVS1320 Supercharger System! This kit includes everything you need to supercharge your Truck or SUV. Engineered specifically for the 5VZ-FE 3.4L V6, this system delivers 42% MORE HORSEPOWER than stock and with an additional 23% MORE TORQUE. That's more than 260hp and 260lb-ft at the crank!
This system was developed to be a direct bolt on kit with minimal downtime, and straightforward installation. An enthusiast with basic tools can install the system in a weekend, or about a day for an experienced installer. The TVS1320 also looks and fits like OEM, almost like it belongs there. The supercharger itself is maintenance free; pre-filled and sealed, nothing to check or top off for the lifetime of the engine.
- 262 hp and 263 ft-lbs at the crank.
 - Utilizes Eaton TVS Technology incorporating high helix, four lobe rotors for maximum supercharger efficiency across entire speed range.
 - 30% larger displacement volume than the MP62 supercharger system.
 - Vacuum bypass system with instantaneous boost response designed to unload supercharger at engine idle and part-throttle for improved fuel economy.
 - Proven maintenance-free supercharger technology. No added complexity of external supercharger oil cooler/heaters for extreme climates.
 - Utilizes your vehicle's stock tune.
 - CARB certification (EO# D-488-57)
 - Standard 3-year/36,000-mile limited Supercharger System Warranty.
 
All Superchargers are sold as complete packages with all the components required for installation. Step-by-step, model-specific instructions with numerous photographs are included with every kit. Most Superchargers feature an integrated intake manifold and supercharger housing. This creates a more compact, leak-proof, reliable installation.
NOTE: Depending on external factors; such as air temp, humidity, and elevation to name a few, boost levels will vary.
| Note: Images are for illustration purposes only. Images may not represent the product listed. Please contact customer service with any questions or concerns: 1-928-505-2501. | 
- 1997-2004 Toyota Tacoma 3.4L V6
 - 1996-2002 Toyota 4Runner 3.4L V6
 - 1997-1998 Toyota T100 3.4L V6
 - 2000-2003 Toyota Tundra 3.4L V6
 
*Also available for other 5VZ-FE 3.4L V6 platforms, other applications may require custom calibration.
	To open a printable PDF version of this instruction 
	CLICK HERE

Fitment:
- 1996 - 2002 4Runner
 - 1997 - 1998 T100
 - 1997 - 2004 Tacoma
 - 2000 - 2003 Tundra
 

	Prepare Vehicle:
- 
	 1. Before you begin make sure the fuel in your tank has been completely switched over to premium 91 octane. This is necessary to avoid any pinging once the supercharger has been installed.
	
 
2. Magnuson recommends that you thoroughly clean the engine and engine compartment. If you don't, grease buildup on parts could become dislodged during the procedure and fall into the engine.
3. Make sure the engine is fully cooled before beginning
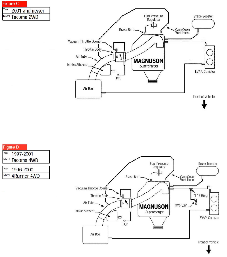
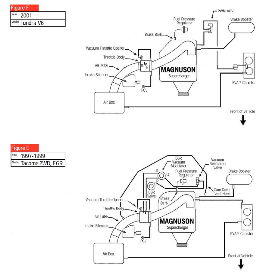
4. To help you later, we suggest you draw diagrams of your engine's cable routing before you disconnect anything. You can do the same for the vacuum hoses; however, some of the vacuum connections on your stock manifold may not be the same as those on the supercharger. To ensure the proper hose connections, refer to the diagrams in the back of this manual.
5. The Magnuson supercharger kit has been designed to reuse most of the stock nuts and bolts. Therefore, as you remove them, keep them with their components or label them for location. This will assure a faster, easier installation.
	 Disassembly Instructions:
- 
	 1.  Disconnect the battery ground cable.
	
 
2. With tape or a permanent marker, mark the forward edge of the power steering and air conditioning compressor drive belts (figure 2). This will ensure that the belts will be returned to their original positions and that they will rotate in the same direction. If you reverse the direction of rotation, it may cause the belts to fray.

3. If equipped, remove the gravel guard from beneath the radiator (figure 3). This will give you access to the A/C belt adjuster. TIP: The gravel guard consists of two pieces but it's much easier to install if you remove it as a one"piece assembly.
4. Loosen the pinch nut in the center of the A/C compressor belt pulley and loosen the adjuster bolt enough to loosen the belt (see arrow, figure 4 ).
5. Using an angled flat ratchet, loosen the pinch nut and adjuster bolt for the power steering pump.
6. Remove the two belts.
7. Loosen the alternator pivot bolt (top), pinch nut and adjusting bolt and remove the alternator belt. During the installation procedure, it will be replaced with a belt supplied with the supercharger.
8. Loosen the air intake tube clamps at the throttle body and disconnect the Mass Air Flow Sensor plug. NOTE: The air sensor (see pointer, figure 5) is fragile so be careful when working around it.



9. Remove any connections from the air intake tube and remove the tube (figure 6).
10. Some trucks are equipped with one or two Vacuum Switched Valve (VSV) assemblies. To locate yours, consult the appropriate diagrams at the end of this manual. If the valve is mounted on the rear of the engine, it should be relocated to the firewall with the supplied bracket.
11. Note the tension and adjustment of the throttle cable and the transmission throttle pressure (kick down) cable (if equipped with an automatic transmission). You will need to re"create these adjustments during the assembly procedure. To help you remember, look for the small metal bead (the stake stopper, automatic transmission only) on the kick down cable (see arrow, figure 7). If the cable is properly adjusted, the bead should be flush with the end of the cable's rubber sheath (see arrow, figure 8).



12. Loosen but don't remove the cable nuts (figure 9). Slide the cables from their brackets and remove the cable ends from the throttle"body levers. NOTE: If your vehicle is equipped with cruise control, do not remove the cruise cable from the throttle body. If you do, you will have to readjust it later.
13. Unplug the throttle"position sensor connector (A) and the IAC (Idle Air Control) valve connector (B) (see arrows, figure 10).


14. Remove vacuum lines from the throttle body but don't remove the two coolant hoses (figure 11). NOTE: The coolant hoses have clamps (see arrows, pictured), the vacuum hoses do not.
15. Remove the throttle body with attached coolant hoses and cruise control cable (if equipped) and set to the passenger's side (figure 12).
16. At the driver's side of the engine, remove the diagnostic plug from its mounting bracket (upper arrow, figure 13) and set it aside. Remove bolt and bracket that holds the diagnostic connector to the stock manifold and save for reassembly. Remove the ground wire and move it to one side (lower arrow, figure 13).
17. Remove the vacuum hoses for the power brake, PCV and EVAP from their tubes on the upper manifold.



18. A pre"2000 Tacoma or T"100 may be equipped with an EGR valve. To be sure, look for this tube (see arrow, figure 14) on the driver's"side exhaust manifold. Remove the valve according to the procedure in Step 4. Note that the valve will be reinstalled later in the installation procedure.
19. Remove the bolt holding the manifold to the intake chamber stay (see arrow, figure 30). Save the bolt.
20. Remove the nuts and bolts from the upper half of the intake manifold and set it aside (figure 15).
21. Remove the 2 bolts and disconnect the fuel"return line bracket (but don't disconnect the fuel hose) from the driver's side of the lower manifold and remove the bolt from the wire"loom bracket.
22. Remove the bolts and nuts from the lower manifold. NOTE: The nuts at the far ends of the manifold will be reused during installation. To avoid losing them, pick them up with a magnet.
23. Remove the lower manifold (figure 16) and save the factory nuts, washers and two short bolts, as they will be reused.
24. Inspect the gasket. If it is in good shape, reuse it; if not, replace it with a new one (Toyota part # 17176"62040). NOTE: The gasket between the surge tank and the manifold (figure 15) is interchangeable for use as the supercharger's intake manifold gasket.



25. Tape over or cover the engine manifold ports to keep out debris (figure 17).
26. Using the template supplied and a scribe or marker, mark the top of the timing belt cover around the template (figure 18).
27. Move any wires out of the way and with a coping saw blade or flexible saw, cut along the scribe mark (figure 19) and discard the cut"out piece. This cut away will provide the clearance for the drive housing of the supercharger.



28. Attach the plastic wire looms to the cut edge of the front cover (figure 20). The ignition wires will go beneath the supercharger drive housing.
	 
Installation of Magnuson Dynamic Belt
Tensioner Assembly:
	
	
- 
								 1.  Remove dipstick and dipstick tube.
	
 
2. Unclip the wire loom from the factory bracket and install the supplied wire loom relocation bracket (see arrow, figure 21). Use the existing nut on the water pump housing's upper stud. Torque to factory specifications and clip the wire loom to the back of the supplied bracket.
3. Install the belt tensioner plate using the supplied flat head bolt (10x 1.25x73mm) in Location A (figure 22), do not fully tighten yet. NOTE: If the vehicle has been in use, the holes (Arrows A&B in figure 22) may need to be cleaned out (i.e. tap).
4. Using the supplied bolt (10x 1.25x 130) (figure 22), align the lower belt tensioner mounting bolt hole to Location B. NOTE: Magnuson recommends the use of a thread locking liquid (such as Loctite 262) on the 10 x 1.25 x 73mm & 10 x 1.25 x 30mm bolts in Locations A&B
5. Torque the bolt in Location A to 25ft lbs.



6. Remove the bolt in Location B. Set the alternator to mid"point adjustment on the adjustable bracket (see figure 23). Torque the pivot bolt (top) and pinch nut (arrow) to factory specification.
7. Place the dynamic tensioner on to the mounting plate with the belt behind the pulley (figure 24). NOTE: Align the stud on backside of tensioner to small hole "C" in belt tensioner plate (figure 22).
8. Install the hex head bolt (removed in Step 5) through the tensioner into the mounting plate and torque to 40ft lbs.

	 Installation of TRD Supercharger and Manifold Assembly:
- 
										 1.  (Skip this step for 2001 and newer 4Runner) Cut the hose leading to the IAC valve connector at the location shown, and insert the kit's one"way valve
into the straight part of the hose. The black end of the valve (see arrow on figure 25 and diagrams at the end of this manual) is closest to the throttle body.
	
 
NOTE: The IAC hose and the coolant hoses are similar in size. Don't cut the wrong one. The coolant hoses have clamps, the IAC hose does not.
NOTE: The valve in your kit may not have a black end. You can determine the flow direction by gently blowing air through it. The valve needs to be installed so that the flow goes into the engine.
2. Remove the tape from the intake manifold and reinstall the stock gasket.
3. Lower the supercharger and manifold into place making sure there are no hoses or wires in the way. The ignition wires should be routed beneath the supercharger's drive housing (see arrow, figure 26).
4. When the assembly sits flat on the engine, put the stock manifold brace (driver's side) bolt and supplied spacer in first (see arrow, figure 27) and then install the stock nut so the studs at each end of the manifold and hand tighten. Use a M8x35mm Bolt.
5. Install the supplied long manifold bolt (8x 1.25x 170mm) through the supercharger to the stock manifold followed by the two stock bolts. Alternating from one side to the other, torque the bolts and two nuts to the specs provided in the Toyota Repair Manual. 6. Place the drive belt over the water pump pulley, the crankshaft pulley and the alternator pulley (figure 28). Make sure the belt is on the correct sides of and properly seated in the grooves of each pulley.



7. To assist in belt installation, using a 3/8" long handle ratchet (figure 29), pull down in direction of arrow to provide slack on belt.
8. Install the power steering and A/C belts according to the marks you made before removal (figure 2).
9. Install the supplied dipstick relocation bracket (see arrow, figure 30) utilizing the factory bolt. Reinstall the factory dipstick and attach it to new bracket using the supplied bolt (6mmx 1.0x 12mm). Torque both bolts to 10ft./lbs. NOTE: Be sure to maintain proper dipstick tube seal at oil pan. Check rubber grommet at end of dipstick tube for engagement.


Throttle Body and Air Tube Installation:
- 
												 1. If your vehicle is equipped with an EGR system, reinstall it now.
	
 
2. Using the gasket, OE Fasteners, install the throttle body onto the supercharger's manifold. NOTE: Do not reuse the OE metal gasket (A, figure 31) on the throttle body. It will reduce boost output by 1 ½ lbs. Use the gasket supplied with the kit (B, figure 31), and make sure that it is positioned properly. Its shape must coincide with that of the throttle body. If not, you will create a vacuum leak.
3. Torque each bolt to the specs provided in the Toyota Repair Manual. Do not over-tighten.
4. Install the throttle position sensor plug, the coil plug (if removed), and the IAC valve connector.
5. Attach the PCV hose to the PCV valve on the passenger's side of the engine.
6. Install the air inlet tube to the throttle body and Mass Air Flow Sensor and reconnect its hoses and tubes. Be careful not to damage the sensor (figure 32).
7. Install the proper cable bracket to the top of the manifold. Three throttle cable brackets are supplied with this kit. The bracket with only one U"shaped cable-mount should only be used on Tacoma 4WD manual transmission vehicles. The bracket with two U"shaped cable mounts should be used on all other models except 2001 and newer 4Runners. For 2001 and newer 4Runners, use cable bracket number 00602"17620"080.
8. Remove the transmission cable clamp from the manifold support. Clamp is no longer needed.
9. Remove the throttle cable/evaporative canister hose bracket and bolt from the stock manifold. Install the bracket on to the supercharger as shown (see arrow A, figure 33). Insert the throttle cable and evaporative canister hose, and install the Zip Ties on the throttle cable and evaporative canister hoses as shown (see arrows B, figure 33).



NOTE: 2001 Tacomas with "Drive By Wire" Throttle Body. The two lower factory throttle body studs will be reused in the new supercharger installation. Take care to remove and replace both studs without damage. Torque both nuts to 18 ft./lbs.
10. Place the throttle and automatic transmission kick down cable ends in their original throttle body levers. Refer to (Figure 8).
11. Install the transmission kick down cable (see arrow A, figure 34) and throttle cable (see arrow B, figure 34) in the bracket.
12. Proper throttle cable tension can be accomplished by viewing Figures 35 & 36. With a light but firm pressure you will be able to hear a distinctive "click" when pressing down (see figure 35). Release finger pressure and you should hear another "click" as bracket meets bracket (figure 36).



13. Install the diagnostic plug bracket and the ground connector to the driver's side of the supercharger. Install the diagnostic plug (see arrow A, figure 37).
14. Install the fuel return line bracket to the driver's side of the manifold (see arrow B, figure 37).
15. Using your diagrams, and those in the back of this manual, double check the routing of vacuum hoses, cables and brackets and correct any problems (figure 38).
16. Install the gravel guard.
17. Attach the ground cable to the battery.
18. Run the engine for about 15 minutes and check for leaks.
19. Apply the premium"fuel stickers to the fuel gauge and fuel filler door.
20. Apply the Magnuson belt routing sticker to the underside of the hood.
21. Drive test the vehicle. If all is okay, the installation is completed.
22. Drive test the vehicle. Listen for any unusual noises, vibrations, or engine misfires. The supercharger does have a slight whining noise under boost conditions, which is normal. Listen for engine detonation (pinging). If any detonation is heard let up on the throttle immediately. Most detonation is caused by low octane gasoline still in the tank. Premium fuel is required.
NOTE: For 2001 or newer 4Runner with Drive by Wire throttle system refer to next section.

Throttle Body and Air Tube Installation for 2001 and newer 4Runner only with "Drive by Wire" throttle system:
- 
														 1. Remove rubber plug (see arrow A, figure 39) and hose (see arrow B, figure 39). Retain the plug for reuse, but the hose is not used on the supercharger install.
	
 
2. Place the rubber plug on the open air box nipple (see arrow, figure 40).
3. The rubber plug for the brake booster moves to same location nipple on supercharger housing.
4. The rubber plug from the metal vacuum tube at the top rear of manifold will move to the barb on the throttle body mounting surface.
5. Rotate the stock heater hose assembly (see arrow, figure 41) located on the firewall and rotate approximately 30 degrees upward. This will provide proper clearance away from re"routed valve cover breather hose.


EGR Removal and Installation:
If your Tacoma or T"100 is equipped with an Exhaust Gas Recirculation (EGR) valve (see arrow, figure 42), you will need to remove the valve from the stock intake manifold and reattach it to the Magnuson supercharger manifold. Here's how:
	
Removal
- 
															 1. Loosen the EGR pipe from the driver's side exhaust manifold. This will ease the removal and installation procedures (figure 42).
	
 
2. Loosen or remove the clamp holding the pipe to the back of the engine.
3. Remove the two nuts holding the EGR pipe to the EGR valve and separate the two.
4. Remove the two nuts holding the valve and its gasket to the studs on the intake manifold.
5. Remove the EGR valve and gasket from the intake manifold and set to one side. If necessary, remove the EGR hose and vacuum hose but don't disconnect the two water bypass hoses. They're the ones with the spring clamps.
Installation
- 
															 1. Remove the EGR block"off plate from the two studs on the supercharger manifold and using these nuts and washers, install the EGR gasket and valve to the manifold and hand tighten (see arrow A, figure 43).
	
 
2. With the supercharger bolted to the engine, attach the EGR valve to the EGR pipe and hand tighten with the original nuts (see arrow B, figure 43).
3. Tighten the nuts holding the EGR pipe to the exhaust manifold (figure 42) and torque them to the specs provided in the Toyota Repair Manual.
4. Torque the EGR"pipe"to"EGR"valve nuts and the EGR valve" to" manifold nuts to the specs provided in the Toyota Repair Manual.
5. Install the pipe clamp to the stud on the back of the engine and tighten the nut.





	1 Review Hide Reviews Show Reviews
- 
                
Supercharger review
You guys went out of your way to overnight the supercharger and it made it on Christmas Eve and had the truck running with it by Christmas morning. Works perfect and fixed my need for pulling trailer! I will be ordering my computer and tune from you guys soon!