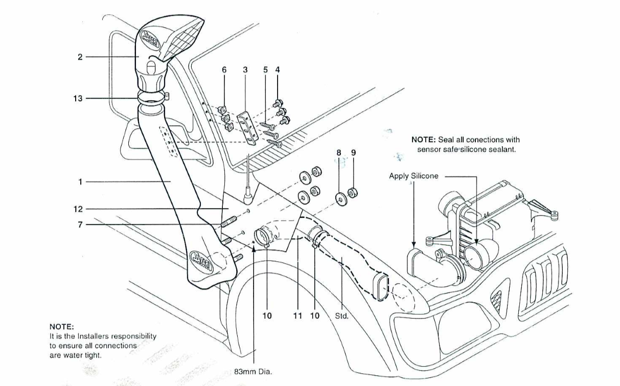
Safari Snorkel Intake Kit
Protecting your engine from dust and water ingestion is essential when driving off road. A Safari snorkel will ensure that clean, dry air is always available, regardless of conditions.
Features:
- Stainless steel & plated hardware for corrosion resistance
- Manufactured from premium quality polyethylene
- Fitment is on Right HAND (RH) side
NOTE: Not recommended for supercharged applications.
| Note: Images are for illustration purposes only. Images may not represent the product listed. Please contact customer service with any questions or concerns: 1-928-505-2501. |
- 1995.5-2004 2RZ 2.4L Tacoma Engines
- 1995.5-2004 3RZ 2.7L Tacoma Engines
- 1995-2004 5VZ 3.4L Tacoma Engines






